產品詳情
| LZ-N1靜態方頭扭矩傳感器 |  | 方頭靜態扭矩傳感器,采用一端法蘭、一端方頭設計。檢測精度高、穩定性好、安裝便捷、抗干擾; 體積小、重量輕、易于安裝;不需反復調零即可連續測量靜止扭矩;廣泛應用于扭力扳手等靜態扭矩力值的測量及工業過程中靜態非連續旋轉的扭力測量。 | | 技術參數 |
|
| 量程 | 2N.m~3000N.m | | 零點輸出 | ≤±1%F.S | | 靈敏度 | 1.0~1.5mV/V | | 非線性 | ≤±0.5%F.S | | 滯后 | ≤±0.3%F.S | | 重復性 | ≤±0.5%F.S | | 蠕變 | ≤±0.5%F.S/30min | | 零點溫度漂移 | ≤±0.05%F·S/10℃ | | 靈敏度溫度漂移 | ≤±0.05%F·S/10℃ | | 使用溫度范圍 | -20℃~+60℃ | | 輸入阻抗 | 380±30Ω/730±30Ω | | 輸出阻抗 | 350±2Ω/700±3Ω | | 絕緣電阻 | ≥5000MΩ/100VDC | | 安全過載 | 120%F·S | | 供橋電壓 | 5~12VDC(推薦10VDC) | | 材質 | 合金鋼/不銹鋼 | | 接線方式 | 紅色:電源+(E+) 黑色:電源-(E-) 綠色:輸出+(S+) 白色:輸出-(S-) |
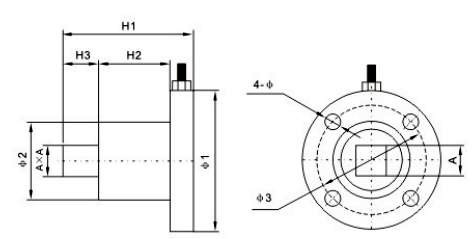
尺寸(mm) 量程(N.m) | A | H1 | H2 | H3 | Φ1 | Φ2 | Φ3 | φ | | 2~200 | 12.7 | 55 | 30 | 15 | 59 | 32 | 45 | 6.5 | | 300~1500 | 25.4 | 75 | 40 | 24 | 68 | 40 | 55 | 8.5 | | 2000~3000 | 25.4 | 85 | 44 | 24 | 98 | 56 | 80 | 13 |
|
| LZ-N1靜態方頭扭矩傳感器 |  | 方頭靜態扭矩傳感器,采用一端法蘭、一端方頭設計。檢測精度高、穩定性好、安裝便捷、抗干擾; 體積小、重量輕、易于安裝;不需反復調零即可連續測量靜止扭矩;廣泛應用于扭力扳手等靜態扭矩力值的測量及工業過程中靜態非連續旋轉的扭力測量。 | | 技術參數 |
|
| 量程 | 2N.m~3000N.m | | 零點輸出 | ≤±1%F.S | | 靈敏度 | 1.0~1.5mV/V | | 非線性 | ≤±0.5%F.S | | 滯后 | ≤±0.3%F.S | | 重復性 | ≤±0.5%F.S | | 蠕變 | ≤±0.5%F.S/30min | | 零點溫度漂移 | ≤±0.05%F·S/10℃ | | 靈敏度溫度漂移 | ≤±0.05%F·S/10℃ | | 使用溫度范圍 | -20℃~+60℃ | | 輸入阻抗 | 380±30Ω/730±30Ω | | 輸出阻抗 | 350±2Ω/700±3Ω | | 絕緣電阻 | ≥5000MΩ/100VDC | | 安全過載 | 120%F·S | | 供橋電壓 | 5~12VDC(推薦10VDC) | | 材質 | 合金鋼/不銹鋼 | | 接線方式 | 紅色:電源+(E+) 黑色:電源-(E-) 綠色:輸出+(S+) 白色:輸出-(S-) |
尺寸(mm) 量程(N.m) | A | H1 | H2 | H3 | Φ1 | Φ2 | Φ3 | φ | | 2~200 | 12.7 | 55 | 30 | 15 | 59 | 32 | 45 | 6.5 | | 300~1500 | 25.4 | 75 | 40 | 24 | 68 | 40 | 55 | 8.5 | | 2000~3000 | 25.4 | 85 | 44 | 24 | 98 | 56 | 80 | 13 |
|
上一篇:沒有了!
下一篇:LZ-N2靜態扭矩傳感器